| Материал корпуса | Pa6gfr30 |
| Материал картриджа | СС304Л, ПА6ГФР30 |
| Максимальное рабочее давление | 8 бар; 116 собак |
| Минимальное рабочее давление | 2 бара; 29 собак |
| Максимальная рабочая температура | 60 °С; 140°Ф |
| Время стирки спины | Настройка разницы времени и давления |
| Система управления | Электронный (переменный/постоянный ток) |
| Чувствительность фильтрации | 20-2000 м (микрон) |
Ürünlerimiz
Орошение
Uygulama Alanları
water_drop IRRIGATION
Filter Types
Media Center
Отправьте нам сообщение
Заполните форму ниже, чтобы связаться с нами.
Процесс очистки
Последовательность обратной промывки запускается для отдельного фильтрующего блока либо по заданному перепаду давления, либо по временному интервалу. При активации блок управления открывает выпускной клапан назначенного блока. Воздействие на этот клапан атмосферного давления приводит к значительному перепаду давления, вызывающему мощный обратный поток. Этот обратный поток приводит в движение гидравлическую турбину, которая вращает очистной коллектор, а поршень перемещает его линейно. Сопла коллектора создают высокоскоростное всасывание, всасывая скопившийся мусор с внутреннего экрана и выбрасывая его через дренажную трубу. Это комбинированное спиральное движение обеспечивает систематическую и тщательную очистку всей поверхности сита. В процессе обратной промывки обе стороны двойного фильтра продолжают фильтрацию одновременно — наблюдается лишь временное падение давления. Затем последовательность очистки выполняется последовательно для каждой стороны двойного корпуса. После завершения выпускной клапан закрывается, и коллектор возвращается в исходное положение, завершая цикл для этого устройства. На протяжении всего процесса самоочистки фильтрация системы продолжается непрерывно.
Принцип работы
Вода поступает в фильтр и проходит последовательно через грубое, а затем мелкое сито. Поскольку загрязнения накапливаются на внутренней поверхности тонкого экрана, между входом и выходом создается перепад давления. Цикл обратной промывки запускается автоматически в зависимости от одного из двух условий: когда этот перепад давления достигает заданного значения или по истечении заданного интервала времени, в зависимости от того, что наступит раньше.
Серия PD-HF — пластиковые самоочищающиеся сетчатые фильтры (двойной корпус)
ОБЩИЕ ХАРАКТЕРИСТИКИ
| Материал корпуса | Pa6gfr30 |
| Материал картриджа | СС304Л, ПА6ГФР30 |
| Максимальное рабочее давление | 8 бар; 116 собак |
| Минимальное рабочее давление | 2 бара; 29 собак |
| Максимальная рабочая температура | 60 °С; 140°Ф |
| Время стирки спины | Настройка разницы времени и давления |
| Система управления | Электронный (переменный/постоянный ток) |
| Чувствительность фильтрации | 20-2000 м (микрон) |
ПРЕИМУЩЕСТВА
Процесс очистки
Последовательность обратной промывки запускается для отдельного фильтрующего блока либо по заданному перепаду давления, либо по временному интервалу. При активации блок управления открывает выпускной клапан назначенного блока. Воздействие на этот клапан атмосферного давления приводит к значительному перепаду давления, вызывающему мощный обратный поток. Этот обратный поток приводит в движение гидравлическую турбину, которая вращает очистной коллектор, а поршень перемещает его линейно. Сопла коллектора создают высокоскоростное всасывание, всасывая скопившийся мусор с внутреннего экрана и выбрасывая его через дренажную трубу. Это комбинированное спиральное движение обеспечивает систематическую и тщательную очистку всей поверхности сита. В процессе обратной промывки обе стороны двойного фильтра продолжают фильтрацию одновременно — наблюдается лишь временное падение давления. Затем последовательность очистки выполняется последовательно для каждой стороны двойного корпуса. После завершения выпускной клапан закрывается, и коллектор возвращается в исходное положение, завершая цикл для этого устройства. На протяжении всего процесса самоочистки фильтрация системы продолжается непрерывно.
Принцип работы
Вода поступает в фильтр и проходит последовательно через грубое, а затем мелкое сито. Поскольку загрязнения накапливаются на внутренней поверхности тонкого экрана, между входом и выходом создается перепад давления. Цикл обратной промывки запускается автоматически в зависимости от одного из двух условий: когда этот перепад давления достигает заданного значения или по истечении заданного интервала времени, в зависимости от того, что наступит раньше.
Серия PD-HF — пластиковые самоочищающиеся сетчатые фильтры (двойной корпус)
ПРЕИМУЩЕСТВА
Удвойте производительность. Высвободите Силу.
Умный. Автоматизировано. Неудержимый. Теперь усилено. Представляем версию нашего пластикового автоматического фильтра с двойным корпусом. Мы взяли нашу революционную интеллектуальную автоматизацию и коррозионностойкий корпус и удвоили площадь фильтрующей поверхности и пропускную способность. Результат? Непрекращающийся поток сверхчистой воды и непревзойденная защита системы даже для самых требовательных промышленных применений.
ОБЩИЕ ХАРАКТЕРИСТИКИ
| Материал корпуса | Pa6gfr30 |
| Материал картриджа | СС304Л, ПА6ГФР30 |
| Максимальное рабочее давление | 8 бар; 116 собак |
| Минимальное рабочее давление | 2 бара; 29 собак |
| Максимальная рабочая температура | 60 °С; 140°Ф |
| Время стирки спины | Настройка разницы времени и давления |
| Система управления | Электронный (переменный/постоянный ток) |
| Чувствительность фильтрации | 20-2000 м (микрон) |
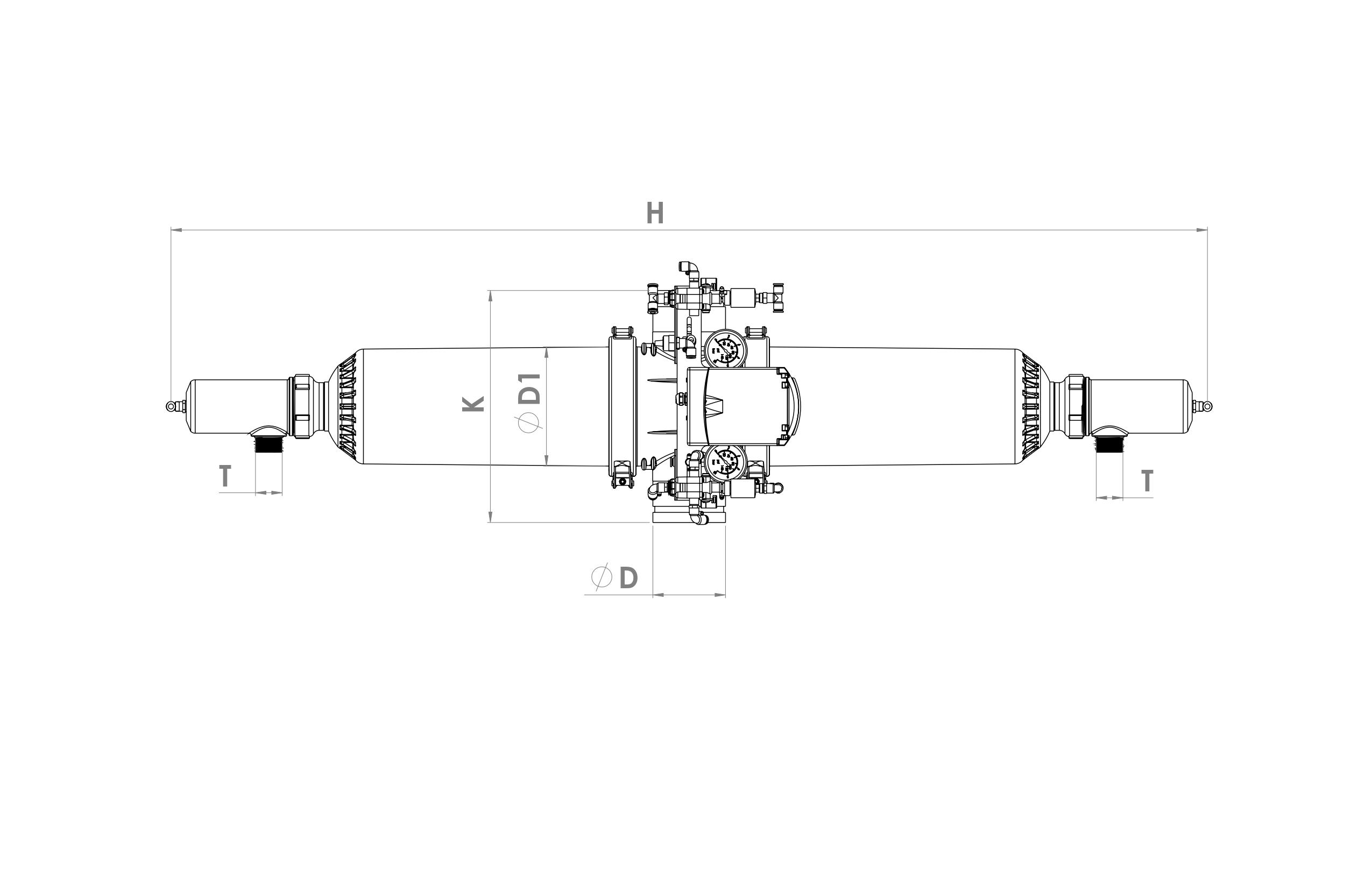
| КОД | Вход/выход (D) | Д1 | K | T | H | Скорость дренажного потока | Основной расход | Площадь фильтрации см² |
Сопло Кол-во. |
Экран Кол-во. |
|||
|---|---|---|---|---|---|---|---|---|---|---|---|---|---|
| Дюйм | DN | мм | мм | мм | мм | л/с | ГПМ (США) | м³/ч | ГПМ (США) | ||||
| ПД-ХФ3 | 3 | 80 | 190 | 365 | 1,25 | 1410 | 1,9 | 29 | 45 | 198 | 1520 | 8 | 4 |
| ПД-HF3S | 3 | 80 | 190 | 365 | 1,25 | 1650 | 2,8 | 44 | 50 | 220 | 2280 | 12 | 6 |
| ПД-HF4S | 4 | 100 | 190 | 365 | 1,25 | 1650 | 2,8 | 44 | 70 | 308 | 2280 | 12 | 6 |
Отправьте нам сообщение
Заполните форму ниже, чтобы связаться с нами.
Product Detail
Серия PD-HF — пластиковые самоочищающиеся сетчатые фильтры (двойной корпус)
ОБЩИЕ ХАРАКТЕРИСТИКИ
Процесс очистки
Последовательность обратной промывки запускается для отдельного фильтрующего блока либо по заданному перепаду давления, либо по временному интервалу. При активации блок управления открывает выпускной клапан назначенного блока. Воздействие на этот клапан атмосферного давления приводит к значительному перепаду давления, вызывающему мощный обратный поток. Этот обратный поток приводит в движение гидравлическую турбину, которая вращает очистной коллектор, а поршень перемещает его линейно. Сопла коллектора создают высокоскоростное всасывание, всасывая скопившийся мусор с внутреннего экрана и выбрасывая его через дренажную трубу. Это комбинированное спиральное движение обеспечивает систематическую и тщательную очистку всей поверхности сита. В процессе обратной промывки обе стороны двойного фильтра продолжают фильтрацию одновременно — наблюдается лишь временное падение давления. Затем последовательность очистки выполняется последовательно для каждой стороны двойного корпуса. После завершения выпускной клапан закрывается, и коллектор возвращается в исходное положение, завершая цикл для этого устройства. На протяжении всего процесса самоочистки фильтрация системы продолжается непрерывно.
Принцип работы
Вода поступает в фильтр и проходит последовательно через грубое, а затем мелкое сито. Поскольку загрязнения накапливаются на внутренней поверхности тонкого экрана, между входом и выходом создается перепад давления. Цикл обратной промывки запускается автоматически в зависимости от одного из двух условий: когда этот перепад давления достигает заданного значения или по истечении заданного интервала времени, в зависимости от того, что наступит раньше.
ПРЕИМУЩЕСТВА
Мощная фильтрация, умный дизайн.
Удвойте производительность. Высвободите Силу.
Умный. Автоматизировано. Неудержимый. Теперь усилено. Представляем версию нашего пластикового автоматического фильтра с двойным корпусом. Мы взяли нашу революционную интеллектуальную автоматизацию и коррозионностойкий корпус и удвоили площадь фильтрующей поверхности и пропускную способность. Результат? Непрекращающийся поток сверхчистой воды и непревзойденная защита системы даже для самых требовательных промышленных применений.
DÖKÜMANLAR
| КОД | Вход/выход (D) | Д1 | K | T | H | Скорость дренажного потока | Основной расход | Площадь фильтрации см² |
Сопло Кол-во. |
Экран Кол-во. |
|||
|---|---|---|---|---|---|---|---|---|---|---|---|---|---|
| Дюйм | DN | мм | мм | мм | мм | л/с | ГПМ (США) | м³/ч | ГПМ (США) | ||||
| ПД-ХФ3 | 3 | 80 | 190 | 365 | 1,25 | 1410 | 1,9 | 29 | 45 | 198 | 1520 | 8 | 4 |
| ПД-HF3S | 3 | 80 | 190 | 365 | 1,25 | 1650 | 2,8 | 44 | 50 | 220 | 2280 | 12 | 6 |
| ПД-HF4S | 4 | 100 | 190 | 365 | 1,25 | 1650 | 2,8 | 44 | 70 | 308 | 2280 | 12 | 6 |