Серия PD-HF — пластиковые самоочищающиеся сетчатые фильтры (двойной корпус) - Aytok

Продукты

Области применения

Filter Types

Корпоративный

Медиа-центр

Search

search
trending_up Filter
trending_up Automatic Filter
trending_up Irrigation Systems

Ürünlerimiz

Filter Types

Серия PD-HF — пластиковые самоочищающиеся сетчатые фильтры (двойной корпус)
Капельное и Микроорошение Капельное и Микроорошение
Тепличный Полив Тепличный Полив
Ландшафтный Полив Ландшафтный Полив
Круговое Орошение Круговое Орошение
Предварительная Фильтрация Питьевой Воды Предварительная Фильтрация Питьевой Воды
Технологическая и Охлаждающая Вода Технологическая и Охлаждающая Вода
Переработка Сточных Вод Переработка Сточных Вод

Процесс очистки


Последовательность обратной промывки запускается для отдельного фильтрующего блока либо по заданному перепаду давления, либо по временному интервалу. При активации блок управления открывает выпускной клапан назначенного блока. Воздействие на этот клапан атмосферного давления приводит к значительному перепаду давления, вызывающему мощный обратный поток. Этот обратный поток приводит в движение гидравлическую турбину, которая вращает очистной коллектор, а поршень перемещает его линейно. Сопла коллектора создают высокоскоростное всасывание, всасывая скопившийся мусор с внутреннего экрана и выбрасывая его через дренажную трубу. Это комбинированное спиральное движение обеспечивает систематическую и тщательную очистку всей поверхности сита. В процессе обратной промывки обе стороны двойного фильтра продолжают фильтрацию одновременно — наблюдается лишь временное падение давления. Затем последовательность очистки выполняется последовательно для каждой стороны двойного корпуса. После завершения выпускной клапан закрывается, и коллектор возвращается в исходное положение, завершая цикл для этого устройства. На протяжении всего процесса самоочистки фильтрация системы продолжается непрерывно.

Принцип работы


Вода поступает в фильтр и проходит последовательно через грубое, а затем мелкое сито. Поскольку загрязнения накапливаются на внутренней поверхности тонкого экрана, между входом и выходом создается перепад давления. Цикл обратной промывки запускается автоматически в зависимости от одного из двух условий: когда этот перепад давления достигает заданного значения или по истечении заданного интервала времени, в зависимости от того, что наступит раньше.

Teknik Tablo Görseli

Серия PD-HF — пластиковые самоочищающиеся сетчатые фильтры (двойной корпус)

local_offer PD-HF

ПРЕИМУЩЕСТВА

Автоматический и Умный Автоматический и Умный
Низкое Обслуживание Низкое Обслуживание
Экономичный Экономичный
Экономия Воды Экономия Воды
Низкая Потеря Давления Низкая Потеря Давления
Непрерывный Непрерывный
Защита Системы Защита Системы
Компактный Дизайн Компактный Дизайн
Точная Фильтрация Точная Фильтрация
Прочный Прочный

Удвойте производительность. Высвободите Силу.

Умный. Автоматизировано. Неудержимый. Теперь усилено. Представляем версию нашего пластикового автоматического фильтра с двойным корпусом. Мы взяли нашу революционную интеллектуальную автоматизацию и коррозионностойкий корпус и удвоили площадь фильтрующей поверхности и пропускную способность. Результат? Непрекращающийся поток сверхчистой воды и непревзойденная защита системы даже для самых требовательных промышленных применений.

ОБЩИЕ ХАРАКТЕРИСТИКИ

Материал корпуса Pa6gfr30
Материал картриджа СС304Л, ПА6ГФР30
Максимальное рабочее давление 8 бар; 116 собак
Минимальное рабочее давление 2 бара; 29 собак
Максимальная рабочая температура 60 °С; 140°Ф
Время стирки спины Настройка разницы времени и давления
Система управления Электронный (переменный/постоянный ток)
Чувствительность фильтрации 20-2000 м (микрон)
Teknik Çizim Görseli
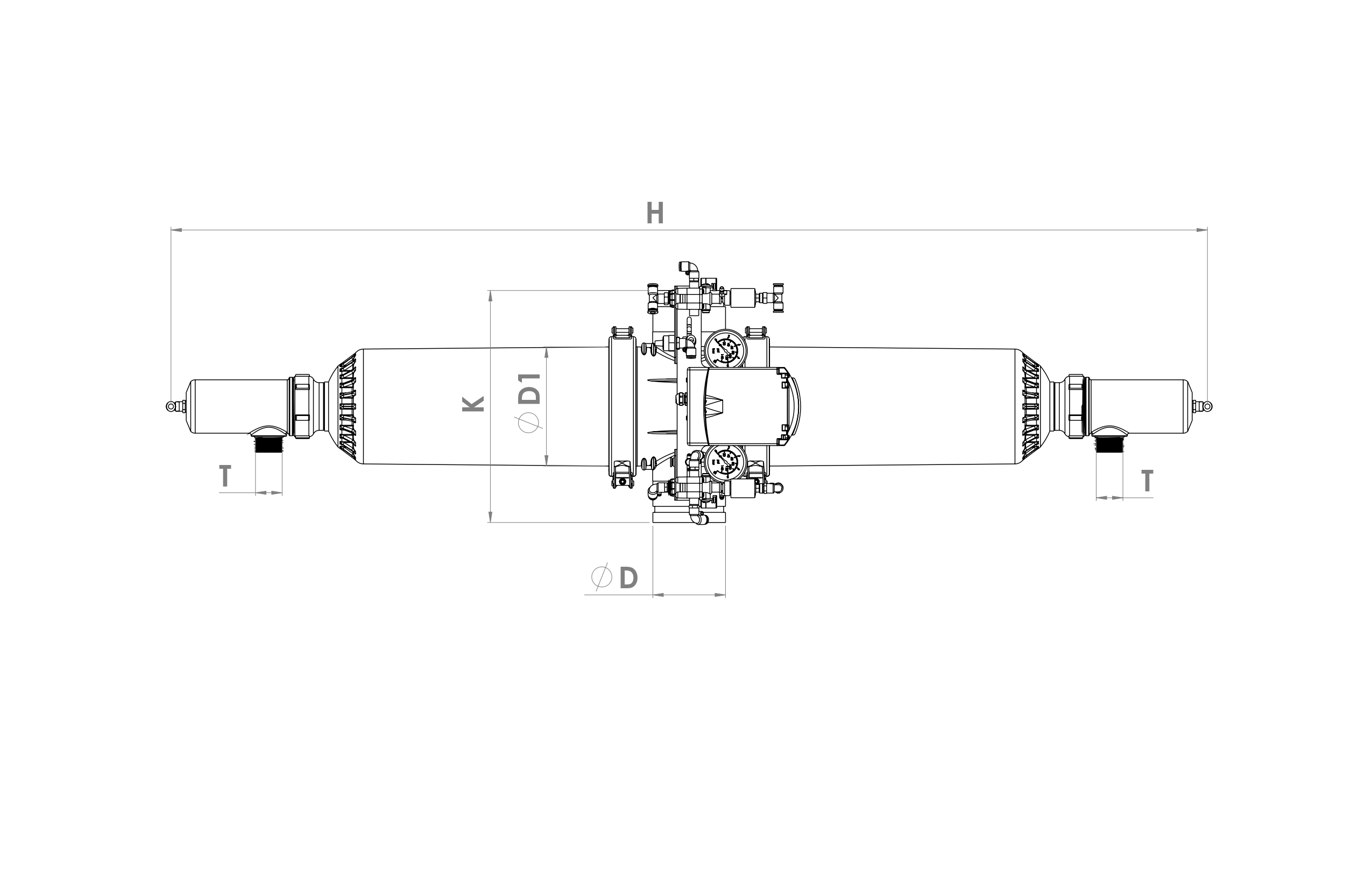
КОД Вход/выход (D) Д1 K T H Скорость дренажного потока Основной расход Площадь фильтрации
см²
Сопло
Кол-во.
Экран
Кол-во.
Дюйм DN мм мм мм мм л/с ГПМ (США) м³/ч ГПМ (США)
ПД-ХФ3 3 80 190 365 1,25 1410 1,9 29 45 198 1520 8 4
ПД-HF3S 3 80 190 365 1,25 1650 2,8 44 50 220 2280 12 6
ПД-HF4S 4 100 190 365 1,25 1650 2,8 44 70 308 2280 12 6

Отправьте нам сообщение

Заполните форму ниже, чтобы связаться с нами.

Product Detail

Серия PD-HF — пластиковые самоочищающиеся сетчатые фильтры (двойной корпус)

Серия PD-HF — пластиковые самоочищающиеся сетчатые фильтры (двойной корпус)

local_offer PD-HF
Капельное Орошение Капельное Орошение
Тепличный Полив Тепличный Полив
Ландшафтный Полив Ландшафтный Полив
Круговое Орошение Круговое Орошение
Предфильтрация Питьевой Воды Предфильтрация Питьевой Воды
Технологическая Вода Технологическая Вода
Переработка Сточных Вод Переработка Сточных Вод

ОБЩИЕ ХАРАКТЕРИСТИКИ

Материал корпуса Pa6gfr30
Материал картриджа СС304Л, ПА6ГФР30
Максимальное рабочее давление 8 бар; 116 собак
Минимальное рабочее давление 2 бара; 29 собак
Максимальная рабочая температура 60 °С; 140°Ф
Время стирки спины Настройка разницы времени и давления
Система управления Электронный (переменный/постоянный ток)
Чувствительность фильтрации 20-2000 м (микрон)

Процесс очистки

Последовательность обратной промывки запускается для отдельного фильтрующего блока либо по заданному перепаду давления, либо по временному интервалу. При активации блок управления открывает выпускной клапан назначенного блока. Воздействие на этот клапан атмосферного давления приводит к значительному перепаду давления, вызывающему мощный обратный поток. Этот обратный поток приводит в движение гидравлическую турбину, которая вращает очистной коллектор, а поршень перемещает его линейно. Сопла коллектора создают высокоскоростное всасывание, всасывая скопившийся мусор с внутреннего экрана и выбрасывая его через дренажную трубу. Это комбинированное спиральное движение обеспечивает систематическую и тщательную очистку всей поверхности сита. В процессе обратной промывки обе стороны двойного фильтра продолжают фильтрацию одновременно — наблюдается лишь временное падение давления. Затем последовательность очистки выполняется последовательно для каждой стороны двойного корпуса. После завершения выпускной клапан закрывается, и коллектор возвращается в исходное положение, завершая цикл для этого устройства. На протяжении всего процесса самоочистки фильтрация системы продолжается непрерывно.

Принцип работы

Вода поступает в фильтр и проходит последовательно через грубое, а затем мелкое сито. Поскольку загрязнения накапливаются на внутренней поверхности тонкого экрана, между входом и выходом создается перепад давления. Цикл обратной промывки запускается автоматически в зависимости от одного из двух условий: когда этот перепад давления достигает заданного значения или по истечении заданного интервала времени, в зависимости от того, что наступит раньше.

ПРЕИМУЩЕСТВА

Автоматический и Умный Автоматический и Умный
Низкие Требования к Обслуживанию Низкие Требования к Обслуживанию
Экономичный Экономичный
Экономия Воды Экономия Воды
Низкая Потеря Давления Низкая Потеря Давления
Непрерывный Непрерывный
Защита Системы Защита Системы
Компактный Дизайн Компактный Дизайн
Точная Фильтрация Точная Фильтрация
Прочный Прочный

Мощная фильтрация, умный дизайн.

Удвойте производительность. Высвободите Силу.

Умный. Автоматизировано. Неудержимый. Теперь усилено. Представляем версию нашего пластикового автоматического фильтра с двойным корпусом. Мы взяли нашу революционную интеллектуальную автоматизацию и коррозионностойкий корпус и удвоили площадь фильтрующей поверхности и пропускную способность. Результат? Непрекращающийся поток сверхчистой воды и непревзойденная защита системы даже для самых требовательных промышленных применений.

DÖKÜMANLAR

Teknik Çizim Görseli
Teknik Tablo Görseli
КОД Вход/выход (D) Д1 K T H Скорость дренажного потока Основной расход Площадь фильтрации
см²
Сопло
Кол-во.
Экран
Кол-во.
Дюйм DN мм мм мм мм л/с ГПМ (США) м³/ч ГПМ (США)
ПД-ХФ3 3 80 190 365 1,25 1410 1,9 29 45 198 1520 8 4
ПД-HF3S 3 80 190 365 1,25 1650 2,8 44 50 220 2280 12 6
ПД-HF4S 4 100 190 365 1,25 1650 2,8 44 70 308 2280 12 6

Отправьте нам сообщение